一種長齒條加工方法說明如下,供參考了解。
數控軋環機,其中檢測部裝中有一批模數m=3,截面尺寸為30×40,長度從730mm至1800mm不等的齒條。由于長度較長,而截面尺寸又很小,加工過程中工件極易變形。按正常加工工藝,制齒工序在刨床上完成(先劃線,再開底槽,再將刀架調轉角度后進行刨削)刨出的齒面粗糙度最高只能達到Ral2.5,一個一個齒的刨削,加工效率極其緩慢,生產工期不允許,而且如此長的齒條在刨床上裝夾、找正也是很困難的。
在X62W臥式萬能銑床上,利用萬能銑頭,自制成形盤形齒輪銑刀,通過利用兩個機用虎鉗裝夾找正方法來解決這一難題,解決了在刨床上加工細長齒條工期長、定位、找正困難、工件易變形、表面粗糙度低等各種難題,具體說明如下。
一、成形盤形齒輪銑刀的制作
1、成形盤形齒輪銑刀結構
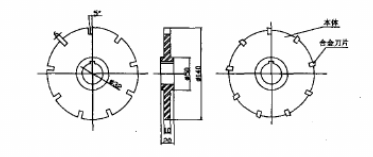
成形盤形齒輪銑刀(圖右)由本體(圖左)和刀片兩部分組成,通過銅焊接的方式將其連接在一起。

2、盤形齒輪銑刀制作工藝
(1)、下料:45#鋼板φ150×δ=25,調質:HB260-280。
(2)、車:外圓φ140、φ50、φ32及10。
(3)、銑:銑齒槽9-6×15前角5°。
(4)、焊:焊接合金刀頭。
(5)、磨:
①根據齒形手工粗磨刀頭形狀;
②將盤形銑刀裝在刀桿上,用工具磨床磨出40°刀刃及外圓;
③用手工精磨前刀面及各后角。
(6)、檢:試切、測量。
3、制作完成的盤形銑刀

二、裝夾和找正
1、將兩個機用虎鉗固定鉗口找平在同一平面內,保持平行等高,固定在工作臺上。把長度一致的齒條并排裝夾在虎鉗內,端面對齊點焊,一邊二次調整,對刀找正。

2、把萬能銑頭主軸調整與工作臺縱向平行,將刀桿用拉桿緊固,再將盤形銑刀壓緊,對刀切深6.75mm,采用橫向切削進給,一齒銑好后,壓百分表移周節9.425。
3、銑完兩齒槽后檢測,各尺寸合適后逐次分齒。一次裝夾可銑600mm長度,約60個齒距,因機床縱向行程所限需把縱向工作臺退回原處松開兩虎鉗沿縱向調整一次齒條,找正后對刀繼續分齒銑削。長1800mm的齒條,需調整3~4次。